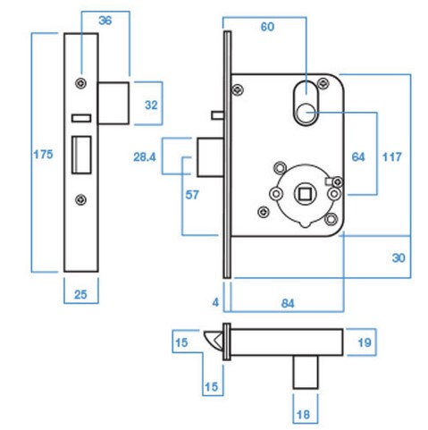
The Mortice Lock is a high-quality locking solution designed for maximum security. With a 60mm backset, this lock provides a reliable and durable mechanism for your doors and gates. The satin chrome finish adds a touch of elegance and complements various architectural styles. This lock features the Lockwood 3572 primary mortice lock, known for its strength and reliability. It offers advanced security features such as a deadlock function, ensuring that your property is well-protected. Suitable for residential, commercial, and industrial applications, the Mortice Lock is a trusted choice for those seeking robust and reliable security solutions.
Compatible with Electric striker FK660
Alternative Products
These other products might interest you
